Home
Download PDF
Order CD-ROM
Order in Print
Repair Parts List - TM-9-2320-366-24P-10229
Repair Parts List - TM-9-2320-366-24P-10231
TM-9-2320-366-24P-1 M1083 Series 5-Ton 6x6 Medium Tactical Vehicles (MTV) Manual
Page Navigation
196
197
198
199
200
201
202
203
204
205
206
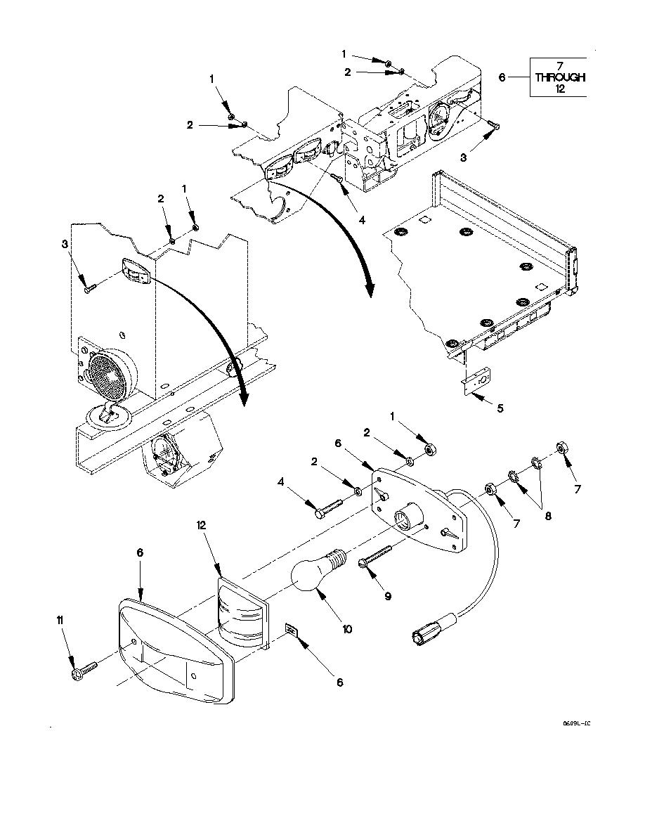
SECTION
II
TM
9-2320-366-24P-1
FIGURE
68.
CHASSIS
CLEARANCE
AND
MARKER
LIGHTS